Van Điều Chỉnh Âm Tường COTTO CT254C20 Nóng Lạnh 1 Đường Nước Cross
Mô tả sản phẩm:
Van điều chỉnh âm tường COTTO CT254C20 là thiết bị điều chỉnh nước nóng lạnh với thiết kế hiện đại, giúp tối ưu không gian và tăng tính thẩm mỹ cho phòng tắm. Sản phẩm được chế tạo từ chất liệu cao cấp, đảm bảo độ bền cao và khả năng chống ăn mòn hiệu quả, mang lại trải nghiệm sử dụng tiện lợi và lâu dài.
Đặc điểm nổi bật:
Thiết kế âm tường sang trọng, tiết kiệm không gian và phù hợp với nhiều phong cách nội thất.
Chất liệu đồng thau mạ Crom/Niken cao cấp, chống gỉ sét và đảm bảo độ bền theo thời gian.
Tay gạt dạng Cross (hình chữ thập), dễ dàng điều chỉnh nhiệt độ nước nóng lạnh.
Công nghệ van đĩa sứ giúp vận hành êm ái, hạn chế rò rỉ nước.
Dễ dàng lắp đặt và sử dụng, thích hợp cho phòng tắm gia đình, khách sạn, resort cao cấp.
Sản phẩm là lựa chọn lý tưởng cho những ai mong muốn không gian phòng tắm tiện nghi, sang trọng và bền bỉ theo thời gian.
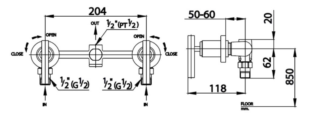
Bản vẽ kỹ thuật van điều chỉnh nóng lạnh gắn tường COTTO CT254C20

Thông số kỹ thuật
| Chế độ | Nóng lạnh |
| Chất liệu | Đồng |
| Thương hiệu | Cotto |
| Xuất xứ | Thái Lan |
| Bảo hành | 24 tháng |
